Fotografija iz odprtih virov
Ruskim znanstvenikom je uspelo ustvariti porozne iz plastike in soli material, ki posnema strukturo kosti. V tem primeru običajna kuharska knjiga sol je postala glavna pomožna snov.
Trenutno polietilen ultra visoke molekulske mase že obstaja široka uporaba v umetnih sklepih, pa tudi keramiki in kovina Ta vrsta plastike ima visoko trdnost in gostoto, in kar je najpomembneje – popolnoma varen za človeška tkiva. Te značilnosti materiala so idealne za ustvarjanje umetne kosti.
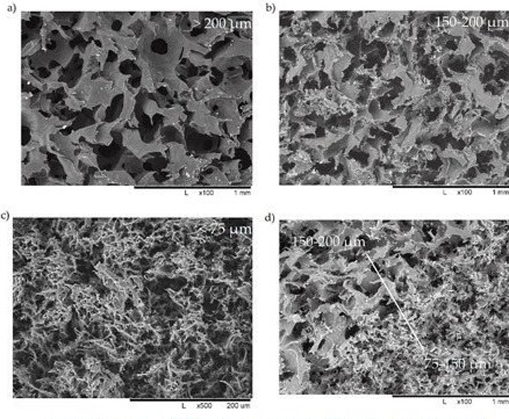
Pred tem je bila glavna težava pri njihovem ustvarjanju pomanjkanje poroznost. Za kosti je potrebno premikati kostne celice in kalijo krvne žile, vendar tvorijo zapletene strukture znotraj umetne kosti ni bilo tako preprosto. Za obsežni tisk plastika dolgo ostane viskozna.
Fotografija iz odprtih virov
Te težave smo uspeli rešiti s pomočjo nenavadne tehnologije, predlagali znanstveniki NITU MISiS. Ob izdelavi kosti oz. polimer zmešamo z navadno namizno soljo in po njej strjevalna sol se opere z vodo. Pore ostanejo v ustvarjenem izdelku prave velikosti.
Material je testiran na trdnost pri določenih obremenitvah. in je bil pregledan tudi z mikroskopom. Mehanske lastnosti proizvodi so se izkazali enaki, ne glede na velikost por material je postal manj prožen kot prava kost. Na naslednjem raziskovalna faza bo iskala kombinacijo materialov za ustvarjanje umetne kosti s potrebnimi parametri.
ESOREITER je pred tem govoril o kosti v kolenu, ki je veljala med evolucijo izginja rudimentarni organ.
Andreja Vetrova
Čas plastike
